Site agence Novelty Normandie

ASD - Praticable 1,5×1 – kit de 4

Kit de 4 praticables 1,5m x 1m, (jeux de 4 pieds de 20, 40, 60 et 80cm en option)

Informations
  • Codart : PRASD1X15-SET04
Propriétés techniques
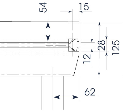
  • Dimensions : 150 x 100 x 12 cm (plateau seul)
  • Dimensions sur chariot (x4) : 100 x 61 x 225 cm
  • Poids sur chariot (x4) : 168 kg
  • Weight : 40,4 kg (avec pied 80cm)
Nous contacter

Vous avez un projet ou une question ?

Nos équipes sont prêtes à répondre à vos besoins et à concrétiser vos projets. Contactez votre agence locale ou laissez-nous un message, nous serons ravis de vous accompagner.

Contactez-nous