Pièce de suspension pour série 300 carrée, acier noir, charge maxi 500kg
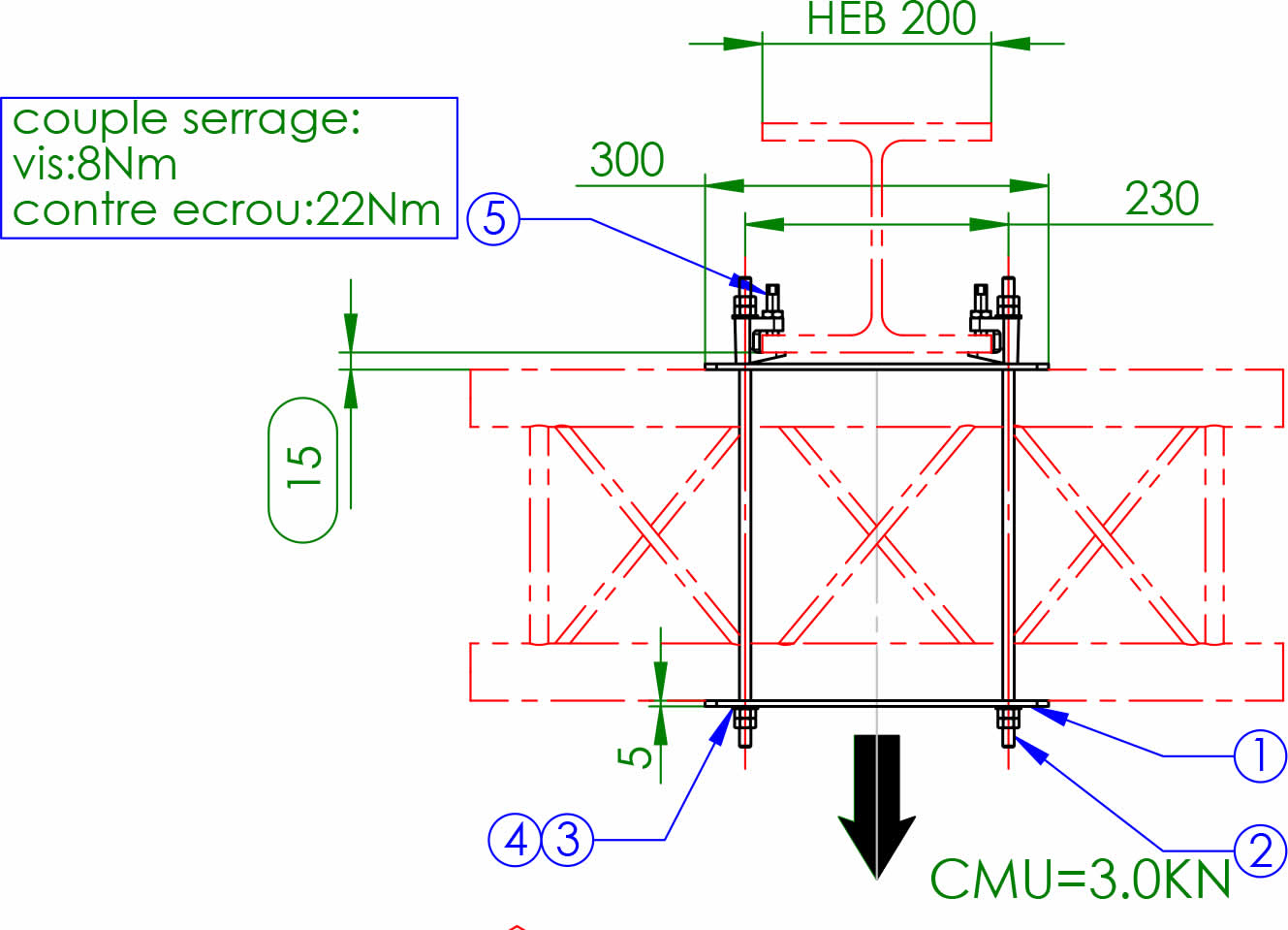
Ensemble d'accroche double pour série 300 carré sur poutre IPN type HEB240, CMU 300kg
Ensemble d'accroche double pour série 300 carré sur poutre IPN type HEB160, CMU 300kg
Ensemble d'accroche 1côté pour série 300 carré sur poutre IPN type HEB, CMU 150 kg
Fixation murale acier pour structure carré ou triangulaire série 300, charge 560kg, déport 0,40m
Pied chandelle 2 pieds pour jonction entre 2 praticables ASD, hauteur 1m
Jeu de 4 x pieds tube alu 0,40m pour praticables ASD
"S" de pont pour série 400 alu, 2 passages de câbles
Poutre de 1,40m, série SC500 carrée, couleur noire
Nos équipes sont prêtes à répondre à vos besoins et à concrétiser vos projets. Contactez votre agence locale ou laissez-nous un message, nous serons ravis de vous accompagner.